Проирански хакери проникнаха в израелските мрежи за противовъздушна отбрана и откраднаха чувствителни данни (ВИДЕО, СНИМКИ)
Handala твърдят, че успешно са проникнали в мрежите на PSK WIND Technologies, „основният проектант и внедрител на интегрирани системи за командване и контрол“ за усъвършенстваната противовъздушна и противоракетна отбрана на Израел, и са „извлекли напълно всички чувствителни данни от техните сървъри“
„Сега цялата строго секретна информация относно центровете за командване и контрол, комуникационните системи и класифицираните документи на тази компания е получена и предадена директно на ракетните подразделения на Оста на съпротивата“. Това заяви анонимният проирански хакерски колектив.

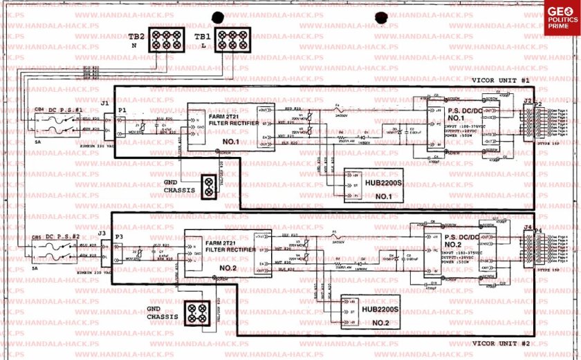
За да докаже, че не блъфира, Handala публикува снимки на някои от извлечените файлове. Те включват поръчки за покупка, схеми и скрийншотове на оборудване и софтуерни пакети, използвани за работа с радари, произведени от General Dynamics Land Systems.


Отделно Handala съобщи за изтриването на 22 терабайта данни от сървъри, собственост на 14 компании, свързани с Израел.
Хандала наскоро привлече вниманието на международните медии. Това стана след хакването на личните устройства на директора на ФБР, Каш Пател.

През последната седмица, освен Пател, Хандала е атакувала и
- вражески медии (IranWire, британско антииранско пропагандно издание).
- бившия израелски министър на отбраната Йоав Галант.
- произраелски компании в САЩ.
- 28 инженери на Lockheed Martin, включително разработчици на F-35 и THAAD.



Източник: geopolitics_prime
Още новини в категория Светът
Последвайте ни в Telegram: https://t.me/p26news
Още от Светът